Производи
Проверете го вентилот за нишање
  • Проверете го вентилот за нишањеПроверете го вентилот за нишање

Проверете го вентилот за нишање

Jinqiu Valve произведува квалитетен проверен вентил за нишање, автоматски вентил познат и како еднонасочен вентил или обратен вентил. Неговата функција е да спречи медиумот во цевководот да тече назад, дозволувајќи и на течноста да тече во една насока. Ефикасно го спречува повратниот тек (повратен проток) што може да го оштети системот на гасоводот. Вентилот ги отвора или затвора своите компоненти за отворање и затворање со протокот и силата на медиумот за да спречи медиумот да тече назад.
Jinquan Valve is a high-tech enterprise integrating valve product research, production, sales, and service. As an H44H and H44Y type PN16 ~ PN250 swing check valves supplier, our customized swing check valves are suitable for pressures of 1.6 ~ 25MPa, working temperatures of -29 ~ +550 ℃, and are applicable to pipeline conditions in the petroleum, chemical, pharmaceutical, fertilizer, power industries, and other environments. Applicable media include water, oil, steam, acidic media, and so on. We have been operating in the valve manufacturing field for over twenty years. With our experience, we have won high praise from the market for our reasonable prices, high quality, and attentive service.

1. Автоматско отворање и затворање: обратниот вентил за нишање се отвора и затвора автоматски врз основа на силата на протокот на медиумот. Кога медиумот тече во наведената насока, дискот на вентилот се турка да се отвори и вентилот се отвора. Кога медиумот ќе престане да тече или ќе се врати назад, дискот на вентилот се затвора под сопствената тежина или силата на пружината, спречувајќи повратен проток. Не е потребно рачно работење, со што се постигнува автоматска контрола.
2. Сигурно запечатување: Запечатувачките површини на дискот на вентилот и седиштето обично се направени од заварена легура на база на железо или тврда легура врз основа на кобалт Stellite, која е отпорна на абење, отпорна на топлина, отпорна на корозија и има добра отпорност на гребење. Ова обезбедува долгорочен стабилен ефект на запечатување и ефикасно го спречува истекувањето на медиумите. 3. Канал за непречен проток: Проточниот канал е рационално дизајниран, што резултира со низок отпор на течности. Медиумите можат непречено да минуваат низ повратниот вентил за нишање, намалувајќи ја загубата на притисок и потрошувачката на енергија.

Параметри за изведба

модел H44H-16C~250 H44W-16P~250
Работен притисок (MPa) 1,6~25
соодветна температура (℃) ≤425 ≤550
Соодветни медиуми Вода, пареа, масло Слаб корозивен медиум
материјал Тело, хауба, диск Јаглероден челик Хром никел-титаниум не'рѓосувачки челик
Површина за запечатување Јаглероден челик за површински легури на база на железо Тело запечатено

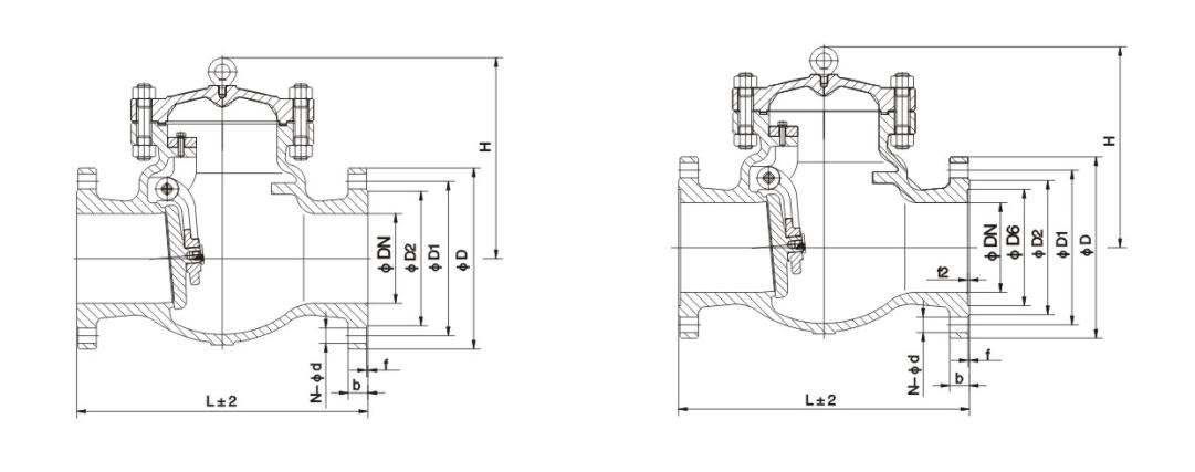
Главниот облик и димензиите на врската

Номинален дијаметар DN Главните димензии и димензиите на поврзувањето
L D Д1 Д2 b З-д H
H44H-16C H44W-16C H44W-16P H44W-16R H44W-16I
25 160 115 85 65 16 4-14 100
32 180 135 100 78 16 4-18 105
40 200 145 100 85 16 4-18 115
50 230 160 125 100 16 4-18 135
65 290 180 145 120 18 4-18 142
80 310 195 160 135 20 8-18 165
100 350 215 180 155 20 8-18 180
125 400 245 210 185 22 8-18 210
150 480 280 240 210 24 8-23 233
200 500 335 295 265 26 12-23 304
250 550 405 355 320 30 12-25 348
300 650 460 410 375 30 12-25 390
350 750 520 470 435 34 16-25 430
400 850 580 525 485 36 16-30 468
H44H-25 H44W-25 H44W-25P H44W-25R H44W-25I
25 160 115 85 65 16 4-14 100
32 180 135 100 78 16 4-18 105
40 200 145 110 85 16 4-18 115
50 230 160 125 100 20 4-18 160
65 290 180 145 120 22 8-18 175
80 310 195 160 135 22 8-18 185
100 350 230 190 160 24 8-23 220
125 400 270 220 188 28 8-25 248
150 480 300 250 218 30 8-25 276
200 550 360 310 278 34 12-25 350
250 650 425 370 332 36 12-30 410
300 750 485 430 390 40 16-30 430
350 850 550 490 448 44 16-34 518
400 950 610 550 505 48 16-34 560

Слика на структурата

Жешки тагови: Проверете го вентилот за нишање, Кина, приспособено, квалитетно, издржливо, напредно, производител, добавувач, фабрика, на залиха
Испрати барање
Контакт Инфо
  • Адреса

    Бр.1, северен 1-ви пат, нов град од нерѓосувачки челик, западен пат во светот на Леконг челик, округ Шунде, Сити Фошан, провинција Гуангдонг, Кина

  • Е-пошта

    jinqiufamen@gmail.com

За прашања во врска со вентилите на портата, глобус вентилите и вентилите за проверка или ценовникот, ве молиме оставете ни ја вашата е-пошта и ние ќе стапиме во контакт во рок од 24 часа.

X
Ние користиме колачиња за да ви понудиме подобро искуство во прелистувањето, да го анализираме сообраќајот на страницата и да ја персонализираме содржината. Со користење на оваа страница, вие се согласувате со нашата употреба на колачиња. Политика за приватност
Отфрли Прифати