Производи
Проверен вентил на API
  • Проверен вентил на APIПроверен вентил на API

Проверен вентил на API

Висококвалитетните вентили за проверка на API Jinqiu Valve ги исполнуваат стандардите ASME, API и GB. Опремена со напредни центри за обработка на CNC и опрема за сечење метал, компанијата користи CAD/CAM технологија во дизајнот и производството на производи, придржувајќи се до стандардите ISO9001 за да обезбеди прецизност и квалитет на деловите за проверувачки вентили API.

Jinqiu Valve, професионален производител на вентили во Кина, нашите API вентили за проверка се дизајнирани и произведени целосно според американските стандарди. Овие вентили се карактеризираат со естетски пријатна структура и напредна технологија. Проверените вентили на API автоматски го отвораат и затвораат дискот на вентилот врз основа на протокот на самиот медиум за да се спречи повратен проток. Тие се познати и како еднонасочни вентили, обратни вентили или вентили за повратен проток. Нивните главни функции се да спречат повратен проток на медиумот, да го спречат враќањето на пумпата и моторот на погонот и да спречат истекување на медиумот во контејнерот.


1. Низок отпор на проток: кога вентилот за проверка на API е целосно отворен, патеката на протокот е речиси непречена, што резултира со низок пад на притисокот.
2. Брзо затворање и спречување на повратен проток: Дејството на лостот на дискот на вентилот овозможува брз одговор и затворање дури и на почетокот на повратниот проток.
3. Широка применливост: Погоден за широк опсег на дијаметри на цевки, од DN50 до DN1200 и погоре.

Параметри за изведба

Сериски број име на проектот параметар
1 Номинален притисок PN (MPa) 150 ЛБ 300 ЛБ 600 ЛБ 900 ЛБ 1500 LB 2500 ЛБ
2.0 5.0 10.0 15.0 25.0 42.0
2 Тест притисок на јачината на школка Номинален притисок на собна температура 1,5 пати
3 Тест притисок на заптивката со висок притисок Номинален притисок на собна температура 1,1 пати
4 Работен притисок на собна температура Притиснете го рејтингот за притисок и температура ASME B16.34

Спецификации на производот

стандарди за дизајн Должина на структурата Големина на поврзување со прирабница Тест и инспекција Референца за притисок и температура
API6D/ASME B16.34 ASME B16.10 ASME B16.5 API598/API6D ASME B16.34

Главниот дел материјал

Име на дел Име на материјалот
Тело A216 WCB A217 WC6 A351 CF8 A351 CF8M A351 CF3 A351 CF3M
капа A216 WCB A217 WC6 A351 CF8 A351 CF8M A351 CF3 A351 CF3M
Плоча со вентили A216 WCB A217 WC6 A351 CF8 A351 CF8M A351 CF3 A351 CF3M
Површина за запечатување 13Cr/STL STL Тело / STL Тело / STL Тело / STL Тело / STL
Вратило на вентилот A182 F6a A182 F11 A182 F304 A182 F316 A182 F304L A182 F316L
Заптивка Флексибилен графит Флексибилен графит Флексибилен графит Флексибилен графит Флексибилен графит Флексибилен графит
болт A193 B7 A193 B16 A193 B8 A193 B8M A193 B8 A193 B8M
Орев A194 2H A194 4 A194 8 A194 8M A194 8 A194 8M
Работна температура -29 ~ 425 ℃ -29 ~ 540 ℃ -46 ~ 425 ℃ -46 ~ 425 ℃ -46 ~ 425 ℃ -46 ~ 425 ℃
Соодветни медиуми пареа пареа Слаб корозивен Слаб корозивен Слаб корозивен Слаб корозивен

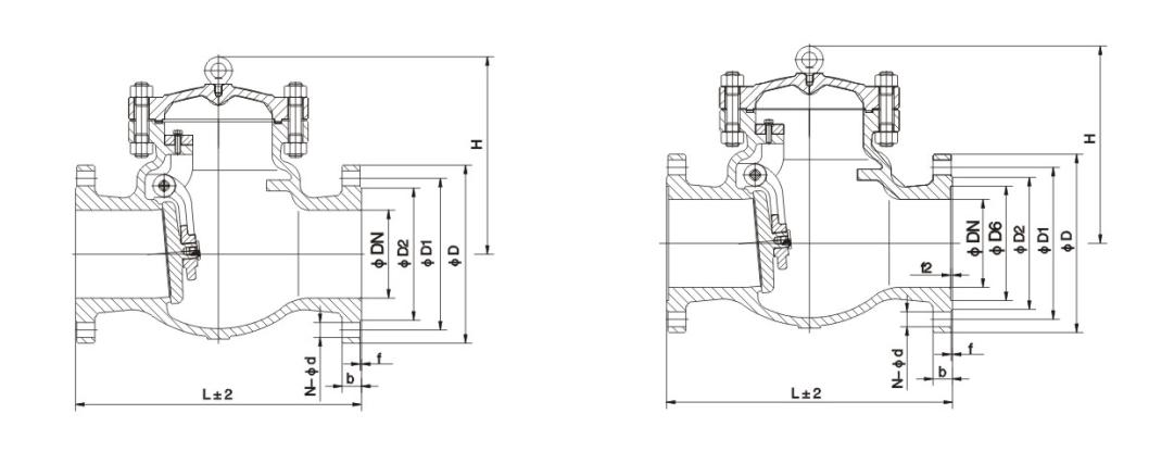
Главниот облик и димензиите на врската

Номинален дијаметар големина
m во L D Д1 Д2 b f n-Φd H
H44H-150Lb
50 2 203 152 120.5 92 16 1.6 4-19 180
80 3 241 192 152.5 127 19 1.6 4-19 190
100 4 297 229 190.5 157 24 1.6 8-19 203
125 5 330 254 216 186 24 1.6 8-22 229
150 6 356 279 241.5 216 26 1.6 8-22 257
200 8 495 342 298.5 270 29 1.6 8-22 292
250 10 622 406 362 324 31 1.6 12-25 355
300 12 698 483 432 381 32 1.6 12-25 396
H44H-300Lb
50 2 267 165 127 92 23 1.6 8-19 178
80 3 318 210 168.5 127 29 1.6 8-22 216
100 4 356 254 200 157 32 1.6 8-22 241
125 5 400 279 235 186 35 1.6 8-22 267
150 6 444 318 270 216 37 1.6 12-22 305
200 8 533 381 330 270 42 1.6 12-25 368
250 10 622 445 387 324 48 1.6 16-29 394
300 12 711 521 451 381 51 1.6 16-32 445
H44H-600Lb
50 2 295 165 127 92 33 6.4 8-19 203
80 3 359 210 168 127 36 6.4 8-22 235
100 4 435 273 216 157 45 6.4 8-25 286
125 5 511 330 266.5 186 52 6.4 8-29 292
150 6 562 356 292 216 55 6.4 12-29 330
200 8 664 419 349 270 63 6.4 12-32 381
250 10 791 510 432 324 71 6.4 16-35 457
300 12 842 559 489 381 74 6.4 20-35 584

Слика на структурата

Жешки тагови: Проверен вентил за API, Кина, приспособено, квалитетно, издржливо, напредно, производител, добавувач, фабрика, во залиха
Испрати барање
Контакт Инфо
  • Адреса

    Бр.1, северен 1-ви пат, нов град од нерѓосувачки челик, западен пат во светот на Леконг челик, округ Шунде, Сити Фошан, провинција Гуангдонг, Кина

  • Е-пошта

    jinqiufamen@gmail.com

За прашања во врска со вентилите на портата, глобус вентилите и вентилите за проверка или ценовникот, ве молиме оставете ни ја вашата е-пошта и ние ќе стапиме во контакт во рок од 24 часа.

X
Ние користиме колачиња за да ви понудиме подобро искуство во прелистувањето, да го анализираме сообраќајот на страницата и да ја персонализираме содржината. Со користење на оваа страница, вие се согласувате со нашата употреба на колачиња. Политика за приватност
Отфрли Прифати