Производи
GB Стандарден глобус вентил
  • GB Стандарден глобус вентилGB Стандарден глобус вентил

GB Стандарден глобус вентил

Висококвалитетните и приспособени J41H, J41Y и J41W тип GB стандардни глобус вентили се произведени од JQF Valve, професионален производител на вентили во Кина. Нивните делови за отворање и затворање се цилиндрични вентилски дискови, а површината за заптивање е или рамна или конусна. Дисковите на вентилот се движат линеарно по централната линија на течноста. Стандардните глобус вентили GB се погодни само за целосно отворени или целосно затворени апликации и генерално не се користат за регулирање на протокот, но регулирањето на протокот и пригушувањето може да се изведат според потребите на клиентите.
Foshan Jinqiu Valve Co., Ltd. is a manufacturing factory integrating valve R&D, manufacturing, sales, and service. Our durable GB standard globe valves are specifically designed for oxygen pipelines, ensuring safe, stable, and efficient operation. Made from high-quality materials and undergoing rigorous degreasing and cleaning processes, these valves effectively prevent combustion risks and guarantee reliable sealing performance.

Стандарден глобус вентил на залиха GB е погоден за опсези на притисок од PN1.6-PN16 и големини од DN15-DN400, тие секогаш се користат во металургијата, хемиската, медицинскиот гас и енергетската индустрија.

Структурни карактеристики

Постојано иновираме и се стреми кон извонредност, одржувајќи чекор со времето со неговите висококвалитетни GB стандардни глобус вентили и извонредната услуга за клиентите! Активно воведуваме напредна опрема, управување со претпријатија и персонал за технички услуги, стремејќи се да изградиме висококвалитетен домашен и меѓународен бренд на вентили. Ги поздравуваме новите и старите клиенти да ги посетат и проверат нашите капацитети, да соработуваат за заедничка корист и заеднички да создадат подобра иднина!

Извршен стандард

Спецификации за дизајн: GB / T 12235
Должина на структурата: GB / T 12221
Прирабничка врска: JB / T 79
Тест и проверка: JB / T 9002
Идентификација на производот: GB / T 12220
Спецификации за испорака: JB / T 7928

Карактеристики

1. Рационализирана и оптимизирана структура: поедноставениот дизајн ја подобрува ефикасноста на производството на компоненти и одржувањето на опремата за 30%. 2. Контрола на моментално отворање и затворање: Дизајнот на структурата со микро удар постигнува брзина на одговор на отворање и затворање од 0,8 секунди по циклус. 3. Долготраен систем за заптивање: Технологијата на самоподмачкувачката површина за заптивање постигнува ултра низок коефициент на триење; композитниот слој за запечатување има животен век против стареење кој надминува 50.000 циклуси на отворање и затворање.

Параметри за изведба

модел J41H-16C~160C J41Y-16C~160C J41W-16P~160P
Работен притисок (MPa) 1,6-16,0
соодветна температура (℃) ≤425 ≤150
Соодветни медиуми Вода, пареа, масло Слаб корозивен медиум
материјал Тело, хауба Јаглероден челик Хром никел-титаниум не'рѓосувачки челик
Стеблото на вентилот Хром нерѓосувачки челик Хром никел-титаниум не'рѓосувачки челик
Површина за запечатување Површински легури на база на железо Легура за зацврстување Материјал за тело
филер Азбест графит, флексибилен графит, тефлонски

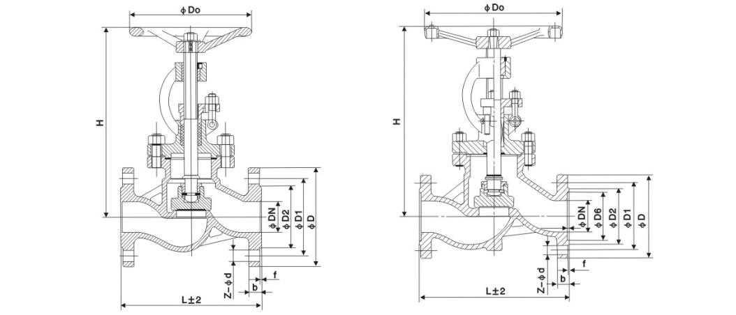
Главната форма и големината на врската

Номинален дијаметар Главните димензии и димензиите на поврзувањето
L D Д1 Д2 b З-д H D0
J41H-16C
15 130 95 65 45 14-2 4-Φ14 170 120
20 150 105 75 55 14-2 4-Φ14 190 140
25 160 115 85 65 14-2 4-Φ14 205 160
32 180 135 100 78 16-2 4-Φ18 270 180
40 200 145 110 85 16-3 4-Φ18 310 200
50 230 160 125 100 16-3 4-Φ18 358 240
65 290 180 145 120 18-3 4-Φ18 373 240
80 310 195 160 135 20-3 8-Φ18 435 280
100 350 215 180 155 20-3 8-Φ18 500 300
125 400 245 210 185 22-3 8-Φ18 614 320
150 480 280 240 210 24-3 8-Φ23 674 360
200 600 335 295 265 26-3 12-Φ23 811 400
250 650 405 355 320 30-3 12-Φ25 969 450
300 750 460 410 375 30-3 12-Φ25 1145 580
350 850 520 470 435 34-4 16-Φ25 1280 640
400 980 580 525 485 36-4 16-Φ30 1452 640
J41H-25C
15 130 95 65 45 16-2 4-Φ14 170 120
20 150 105 75 55 16-2 4-Φ14 190 140
25 160 115 85 65 16-2 4-Φ14 205 160
32 180 135 100 78 18-2 4-Φ18 270 180
40 200 145 110 85 18-3 4-Φ18 310 200
50 230 160 125 100 20-3 4-Φ18 358 240
65 290 180 145 120 22-3 8-Φ18 373 240
80 310 195 160 135 22-3 8-Φ18 435 280
100 350 230 190 160 24-3 8-Φ23 500 300
125 400 270 220 188 28-3 8-Φ25 614 320
150 480 300 250 218 30-3 8-Φ25 674 360
200 600 360 310 278 34-3 12-Φ25 811 400
250 650 425 370 332 36-3 12-Φ30 969 450
300 750 485 430 390 40-4 16-Φ30 1145 580
350 850 550 490 448 44-4 16-Φ34 1280 640
400 980 610 550 505 48-4 16-Φ34 1452 640

Слика на структурата

Жешки тагови: GB Standard Globe Valve, Кина, приспособен, квалитетен, издржлив, напреден, производител, добавувач, фабрика, во залиха
Испрати барање
Контакт Инфо
  • Адреса

    Бр.1, северен 1-ви пат, нов град од нерѓосувачки челик, западен пат во светот на Леконг челик, округ Шунде, Сити Фошан, провинција Гуангдонг, Кина

  • Е-пошта

    jinqiufamen@gmail.com

За прашања во врска со вентилите на портата, глобус вентилите и вентилите за проверка или ценовникот, ве молиме оставете ни ја вашата е-пошта и ние ќе стапиме во контакт во рок од 24 часа.

X
Ние користиме колачиња за да ви понудиме подобро искуство во прелистувањето, да го анализираме сообраќајот на страницата и да ја персонализираме содржината. Со користење на оваа страница, вие се согласувате со нашата употреба на колачиња. Политика за приватност
Отфрли Прифати